Icon Crear Crear

interpretacion de planos

Mapa Interactivo

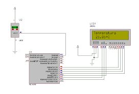
identifique los elementos del plano esquematico.

Descarga la versión para jugar en papel

11 veces realizada

Creada por

Colombia

Top 10 resultados

  1. 1
    00:21
    tiempo
    100
    puntuacion
  2. 2
    00:30
    tiempo
    100
    puntuacion
¿Quieres aparecer en el Top 10 de este juego? para identificarte.
Crea tu propio juego gratis desde nuestro creador de juegos
Compite contra tus amigos para ver quien consigue la mejor puntuación en esta actividad

Top juegos

  1. tiempo
    puntuacion
  1. tiempo
    puntuacion
tiempo
puntuacion
tiempo
puntuacion
 
game-icon

interpretacion de planos Versión en línea

identifique los elementos del plano esquematico.

por Leonardo Redondo
1 sensor de temperatura 2 display lcd 3 microcontrolador 4 voltaje de alimentacion 5 tierra
educaplay suscripción